![]()
![]()
Těsnící šňůry TEMAPACK
![]() |
![]() |
![]() |
![]() |
![]() |
![]() |
![]() |
|
| Expanded graphite | PTFE | ||||||
| 6300 | 6200 | 6100 | 5400 | 5300 | 5200 | 5110 | |
| Materiál | Expandovaný grafit lisovaný | Expandovaný grafit - chromecel. drát | Expandovaný grafit | PTFE+Grafit GORE-GFO® | PTFE+Grafit GORE-TEX® G4 | PTFE | PTFE |
| Impregnace | PTFE | PTFE | |||||
| Lubrikace | Silicon. olej | ||||||
| p (bar) |
500 | 500 | 250 | 200 | 300 | 250 | |
| p (bar) |
30 | 250 | 100 | 150 | 600 | 150 | 150 |
| p (bar) |
30 | 20 | 20 | 15 | |||
| t (-°C) | 220 | 220 | 220 | 100 | 200 | 200 | 200 |
| t (+°C) | 550 | 450 | 450 | 280 | 280 | 280 | 280 |
| v (m/s) |
20 | 10 | 25 | 10 | |||
| v (m/s) |
2 | 2 | 1,5 | 2 | 2 | 2 | 2 |
| pH | 0-14 | 0-14 | 0-14 | 0-14 | 0-14 | 0-12 | 0-14 |
| Hustota (g/cm3) | 1,2-1,6 | 1,0-1,4 | 0,9-1,3 | 1,6 | 1,4 | 1,7 | 1,5 |
| Amini, nitrily | x | x | x | x | x | x | x |
| Barvy, laky | x | ||||||
| Brusná média | |||||||
| Kyseliny koncentrované | x | x | x | x | |||
| Kyseliny stř. koncentrace | x | x | x | x | x | x | x |
| Kyseliny slabé | x | x | x | x | x | x | x |
| Kyslík | x(do+350°C) | x(do+350°C) | x(do+350°C) | x | x | ||
| Neutrální roztoky | x | x | x | x | x | x | x |
| Oleje minerální | x | x | x | x | x | x | x |
| Oleje syntetické | x | x | x | x | x | ||
| Pára | x | x | x | x | x | x | x |
| Plyny inertní | x | x | x | x | x | x | x |
| Plyny kyselé | x | x | x | x | x | x | x |
| Potraviny | x | x | x | ||||
| Rozpouštědla | x | x | x | x | x | x | x |
| Těkavé uhlovodíky | x | x | x | x | x | x | x |
| Voda | x | x | x | x | x | x | x |
| Vodík | x | x | x | x | x | x | x |
| Zásady koncentrované | x | x | x | x | |||
| Zásady ředěné | x | x | x | x | x | x | x |
| Živice | o | o | o | o | |||
1* - Lubrikace možná v provedení: 3200 - Parafinový olej
2* - Impregnace možná v provedení: 1120 - červeň železitá + lůj, 1130 - Grafit + olej, 1140 - PTFE
![]() |
![]() |
![]() |
![]() |
![]() |
![]() |
![]() |
|
| PTFE | PTFE+Aramid | Aramid | Acrylic | Bavlna | |||
| 5100 | 4200 | 4100 | 3100 | 2230 | 2210 | 1110 | |
| p (bar) |
250 | 250 | 180 | 100 | 50 | 50 | 50 |
| p (bar) |
150 | 200 | 100 | 100 | 20 | 20 | 50 |
| p (bar) |
20 | 20 | 25 | 20 | 20 | 10 | |
| t (-°C) | 200 | 100 | 100 | 100 | 50 | 10 | |
| t (+°C) | 280 | 280 | 280 | 280 | 180 | 180 | 80 |
| v (m/s) |
20 | 10 | 20 | 8 | 10 | 3 | |
| v (m/s) |
2 | 5 | 2 | 1,5 | 1,5 | 2 | 1 |
| pH | 0-14 | 3.XII | 3.XII | 3.XII | 4.X | 2.XII | 6.IX |
| Hustota (g/cm3) | 1,5 | 1,6 | 1,5 | 1,4 | 1,2 | 1,3 | 1,1 |
| Amini, nitrily | x | ||||||
| Barvy, laky | x | ||||||
| Brusná média | x | x | x | ||||
| Kyseliny koncentrované | x | ||||||
| Kyseliny stř. koncentrace | x | ||||||
| Kyseliny slabé | x | x | x | x | x | x | x |
| Kyslík | x | ||||||
| Neutrální roztoky | x | x | x | x | x | x | x |
| Oleje minerální | x | x | x | x | x | x | |
| Oleje syntetické | x | x | x | x | |||
| Pára | x | x | x | x | x | x | x |
| Plyny inertní | x | x | x | x | x | x | x |
| Plyny kyselé | x | ||||||
| Potraviny | x | x | x | x | |||
| Rozpouštědla | x | x | x | x | x | ||
| Těkavé uhlovodíky | x | ||||||
| Voda | x | x | x | x | x | x | x |
| Vodík | x | ||||||
| Zásady koncentrované | x | ||||||
| Zásady ředěné | x | x | x | ||||
| Živice | o | x | x | x | |||
Způsoby pletení těsnících šňůr v závislosti na rozměru
| Způsob 1 | Způsob 2 | Způsob 3 |
![]() |
![]() |
![]() |
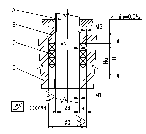
Způsob uložení těsnících šňůr do pouzdra hřídele
Orientační hmotnosti ucpávkových šňůr v gramech na metr
| Temapack | 3100 | 3200 | 4100 | 4200 | 5100 | 5200 | 5300 | 5400 | 6100 | 6200 |
| 3*3 | 12 | 11 | 13 | 14 | 13 | 15 | 9 | 14 | ||
| 4*4 | 21 | 19 | 23 | 25 | 23 | 27 | 15 | 24 | ||
| 5*5 | 33 | 30 | 36 | 39 | 36 | 42 | 24 | 38 | ||
| 6*6 | 48 | 44 | 52 | 56 | 52 | 51 | 35 | 55 | ||
| 8*8 | 84 | 77 | 91 | 97 | 96 | 107 | 61 | 95 | 72 | |
| 10*10 | 132 | 121 | 143 | 153 | 145 | 168 | 95 | 150 | ||
| 12*12 | 192 | 175 | 208 | 222 | 210 | 244 | 138 | 217 | ||
| 14*14 | 258 | 236 | 280 | 299 | 283 | 328 | 186 | 293 | ||
| 15*15 | 297 | 271 | 322 | 344 | 325 | 377 | 214 | 337 | ||
| 16*16 | 339 | 310 | 367 | 393 | 371 | 430 | 244 | 384 | ||
| 18*18 | 430 | 393 | 466 | 499 | 472 | 547 | 310 | 488 | ||
| 20*20 | 534 | 487 | 578 | 618 | 584 | 677 | 384 | 605 | ||
| 22*22 | 647 | 591 | 701 | 750 | 709 | 822 | 466 | 734 | ||
| 25*25 | 839 | 766 | 908 | 972 | 918 | 1065 | 603 | 951 | 699 |
![]()
















